Gia đình nhà bạn đăng băn khoan không biết xây dựng thi công phần móng thì bản thiết kế bản vẽ kết cấu móng cọc nhà dân, nhà phố, nhà tầng, biệt thự 2 tầng chữ l như thế nào? Xây dựng nhà ở là công việc quan trọng trong cuộc đời mỗi người, để có được những công trình nhà đẹp như ý muốn và bền vững theo thời gian, mỗi gia chủ cần đưa ra rất nhiều quyết định trong khi xây dựng như làm móng ra sao, mái nhà như thế nào hay cả những chi tiết như lựa chọn vật liệu xây dựng... Nhưng có lẽ phần bản vẽ kết cấu móng cọc nhà dân là phần quan trọng nhất và hoàn thiện sớm nhất để thi công.

Thiết kế bản vẽ kết cấu móng cọc nhà dân chính xác
Tìm hiểu về những thiết kế bản vẽ kết cấu móng cọc nhà dân chuẩn
Rất nhiều những đầu việc bạn phải làm nếu như bạn không nhờ đến một đơn vị thiết kế chuyên nghiệp. Để giảm bớt được nỗi lo lắng của khách hàng cũng như chia sẻ giúp bạn một phần công việc trong giai đoạn bận rộn này, chúng tôi sẽ tư vấn thiết kế bản vẽ kết cấu móng cọc nhà dân đầy đủ và hoàn thiện giúp bạn có thể thi công được. Thiết kế bản vẽ kết cấu móng cọc nhà dân có thể được ứng dụng trong các mẫu thiết kế nhà cấp 4 đẹp, hay mẫu nhà 2 tầng đẹp, thiết kế biệt thự 3 tầng,... Tư vấn thiết kế bản vẽ kết cấu móng cọc nhà dân đẹp. Chi tiết đầy đủ để bạn có thể thi công.Tùy vào từng mẫu nhà mà có thể sử dụng các loại móng khác nhau như móng đơn, móng cọc, móng băng, móng bè. Trong bài viết này chúng ta chỉ khám phá bản vẽ kết cấu móng cọc nhà dân chuẩn

Thiết kế bản vẽ kết cấu móng cọc nhà dân chính xác đẹp
Khái quát về bản vẽ kết cấu móng cọc nhà dân đẹp
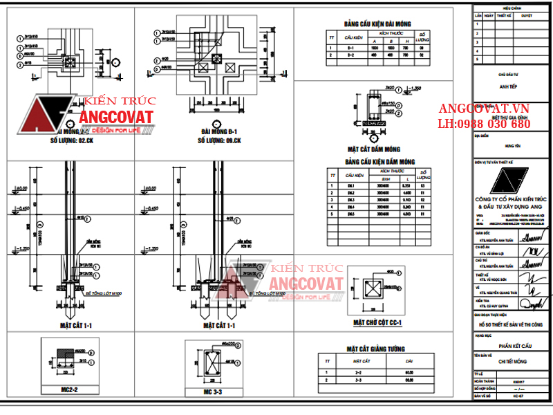
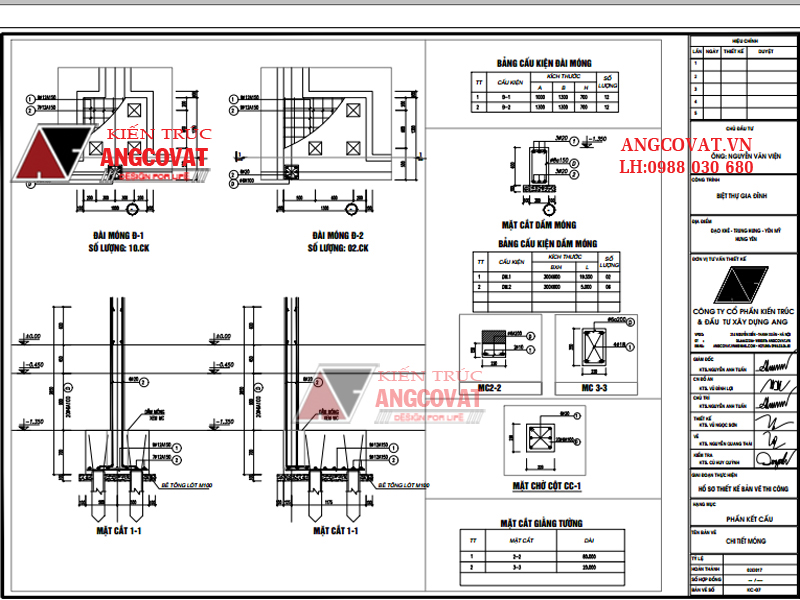
Móng cọc là gì? Móng cọc là loại móng được đặt trên các đầu cọc tạo thành các nhóm cọc liên kết với đài và giằng móng tạo thành khối móng vững chắc. Điều này sẽ được thể hiện rõ nét trong bản vẽ kết cấu móng cọc nhà dân dưới đây
Khi nào thì dùng móng cọc? Bản vẽ kết cấu móng cọc nhà dân được khuyến cáo dùng với nhà có tải trọng lớn, địa hình phức tạp, nền đất yếu như ao hồ, đất mượn, đất vượt.... Tính toán sơ bộ móng băng mẫu nhà 2 tầng 3 mặt tiền như thế nào? Chọn chiều rộng băng và chiều cao dầm được các kỹ sư của angcovat tính toán rất chi tiết. ngoài ra nếu bạn không phải kỹ sư, bạn cũng có thể tính toán được dựa trên những kinh nghiệm thực tế như sau.

Thiết kế mẫu bản vẽ kết cấu móng cọc nhà dân bạn nên biết
Thiết kế bản vẽ kết cấu móng cọc nhà dân dụng.
Việc đầu tiên bạn nên để ý đến trong bản vẽ kết cấu móng cọc nhà dân là chọn số lượng cọc? Thường khi thiết kế các nhà 2 tầng có gác lửng sẽ không có kết quả khảo sát địa chất, nên việc tính toán chọn sơ bộ số lượng cọc cho chính xác và không lãng phí là điều rất quan trọng, nó ảnh hưởng trực tiếp đến yếu tố kinh tế kỹ thuật của chủ đầu tư. Số lượng cọc trên một đài phụ thuộc vào tải trọng truyền vào đầu cột, độ sâu chôn móng, tuy nhiên độ sâu chôn móng không ảnh hưởng quá lớn đến việc quyết định số lượng cọc nên việc tính toán số lượng cọc được giả định như sau: Tải trọng tường, tải trọng sàn, tải trọng động do quá trình sử dụng tổng cộng bằng 1,2-1,5 tấn/m2 x diện chịu tải của cộtx hệ số moment 1.2x số tầng Ví dụ: tính số cọc 200x200 có sức chịu tải 20t/đầu cọc, cho cột có diện chịu tải 20m2(5*4) => số cọc = 1.2*1.2*5*20=144 tấn/20 = 7.2 cọc => chọn 8 cọc + Lựa chọn máy ép cọc? Sức chịu tải của cọc 200x200 = 20T nghĩa là đầu cọc đơn chịu được tải trọng tĩnh là 20T, tải trọng động là tải trọng dồn lên đầu cọc trong quá trình thi công, tải trọng động thường = 2-3 lần tải trọng tĩnh, đó cũng chính là tải trọng ép lên đầu cọc. do đó tải trọng động ép lên đầu cọc 200*200 là 20*2-20*3T = 40-60T Khi chọn máy ép cọc thì lực ép phải lớn hơn 15% tải trọng động => máy ép cọc phải >=75T mới ok. Khi ép cọc sẽ có một bảng quy đổi từ đồng hồ ép ra tấn thực tế ép được, chỉ cần xem chỉ số trên đồng hồ là có thể tự giám sát được công trình của bạn thông qua bản vẽ kết cấu móng cọc nhà dân.

Thiết kế mẫu bản vẽ kết cấu móng cọc nhà dân bạn nên biết - Mặt bằng chờ cột
Nay công ty chúng tôi sẽ hướng dẫn cho quý khách hiểu thế nào về bản vẽ kết cấu móng cọc nhà dân cho công trình nhà cấp 4 chữ U. Hiện tại như nhà dân chia làm các loại nhà chữ L, nhà vườn, nhà ống. Đối với nhà chữ L hay còn gọi là nhà ba gian 1 thò 2 thụt thì tim cọc thường hay rơi vào 12 đài mỗi đài thì 3 đến 4 tim cọc mỗi tim cọc sâu bao nhiêu thì tùy thuộc vào mức độ địa chất từng công trình. Đối với nhà ống tùy độ dài của nhà mà ta có thể có bao nhiêu đài thông thường là từ 8 - 14 đài mỗi đài dao động từ 3 đến 4 tim cọc độ sâu từng tim cọc tùy từng mức độ của công trình mà ta cần ép. Loại đất trong bản vẽ kết cấu móng cọc nhà dân thì chia làm loại đất thổ cư và đất ruộng và đất ao: Loại đất thổ cư thường ép sâu ở mức 5 - 10 m còn loại đất ruộng và ao thì có khả năng sâu hơn từ 10 - 30m cho mỗi tim cọc. Để cho công trình chắc chắn thì mỗi gia đình nên ép đủ độ chỗi để cho công trình luôn luôn ổn định và chắc chắn ngôi nhà của mình. Trong mỗi đài có 3-4 tim cọc mỗi tim các nhau trong đài khoảng 60 phân, đài cách tường từ 30 đến 50 phân.

Thiết kế mẫu bản vẽ kết cấu móng cọc nhà dân bạn nên biết - Mặt bằng chi tiết
Tư vấn bản vẽ kết cấu móng cọc nhà dân chuẩn
Trước đây thường dùng "búa" công nghiệp để đóng cọc nhưng vì gây tiếng ồn và chấn động nên đã bị cấm dùng ở nội thành và các khu vực đông dân cư. Cọc ép trong bản vẽ kết cấu móng cọc nhà dân cũng là cọc bê tông cốt thép nhưng sử dụng máy ép dạng "con đội" để ép cọc xuống lòng đất nhờ đối trọng là những khối bê tông nặng nên tránh được nhược điểm nói trên.

Thiết kế mẫu bản vẽ kết cấu móng cọc nhà dân dành cho mọi nhà
Ngày nay, công nghệ ép cọc có thể tạo được lực ép lên đến 200 tấn thì sức chịu tải (Qa) của cọc đến hơn 100 tấn. Do đó, các công trình xây dựng nhà khoảng 30 tầng đều có thể dùng cọc ép. Với công trình xây chen hay nhà dân dụng thì nên dùng cọc 20x20cm và chiều dài vừa đủ để Qa đạt 10 - 20 tấn là được. Sử dụng cọc nhỏ vừa đủ như vậy là ta dùng đối trọng nhỏ ép, tránh được việc gây ảnh hưởng cho những bản vẽ kết cấu móng cọc nhà dân lân cận.
Về chiều dài cọc cũng nên lưu ý là cọc ép không thể xuyên qua lớp cát chặt, đắt sét chặt lẫn laterit dày hơn 2m. Ðã có vài công trình thiết kế bản vẽ kết cấu móng cọc nhà dân với cọc dài hơn 20m, đến khi thi công chỉ ép được 5 - 7m rồi phải tìm cách khoan qua lớp đất tốt để đưa cọc xuống theo chủ quan của thiết kế. Thực chất có thể chọn cọc dài 5 - 7m là đủ. Thời gian chờ cọc "nghỉ" nên chọn hơn 30 ngày kể từ khi ép cho đến khi thử tĩnh (ép chậm để thử lực chịu tải của cọc). Phải thử tĩnh cho đến khi cọc tụt hoặc lún hơn 40cm; không nên tự chọn một lực giới hạn nào rồi chủ quan dừng lại ở lực này dù cọc lún rất ít. Sau khi có kết quả thử tĩnh, ta xác định được sức chịu tải của cọc và chiều dài cọc, từ đó mới làm và ép cọc chính xác, hợp lý.

Thiết kế mẫu bản vẽ kết cấu móng cọc nhà dân dành cho mọi nhà - Mặt bằng móng
Khi thi công bản vẽ kết cấu móng cọc nhà dân, tùy vào chiều sâu của đài cọc và chiều sâu chân móng mà quyết định việc ép âm hay không. Ép âm đầu cọc là ép cọc sâu xuống lòng đất cho tới vị trí thiết kế, thường từ 1-2m. Đối với nhà dân thì việc tính toán thiết kế thông thường theo kinh nghiệm nhà 4-5 tầng chiều sâu thiết kế chôn cọc khoảng 10m.
Chọn số lượng cọc? Thường khi thiết kế bản vẽ kết cấu móng cọc nhà dân sẽ không có kết quả khảo sát địa chất, nên việc tính toán chọn sơ bộ số lượng cọc cho chính xác và không lãng phí là điều rất quan trọng, nó ảnh hưởng trực tiếp đến yếu tố kinh tế kỹ thuật của chủ đầu tư.
Số lượng cọc trên một đài của bản vẽ kết cấu móng cọc nhà dân phụ thuộc vào tải trọng truyền vào đầu cột, độ sâu chôn móng, tuy nhiên độ sâu chôn móng không ảnh hưởng quá lớn đến việc quyết định số lượng cọc nên việc tính toán số lượng cọc được giả định như sau:
Tải trọng tường, tải trọng sàn, tải trọng động do quá trình sử dụng tổng cộng bằng 1,2-1,5 tấn/m2 x diện chịu tải của cộtx hệ số moment 1.2x số tầng
Ví dụ: tính số cọc 200x200 có sức chịu tải 20t/đầu cọc, cho cột có diện chịu tải 20m2(5*4) => số cọc = 1.2*1.2*5*20=144 tấn/20 = 7.2 cọc => chọn 8 cọc

Thiết kế mẫu bản vẽ kết cấu móng cọc nhà dân dành cho mọi nhà - Mặt bằng chờ cột
Lựa chọn máy ép cọc trong bản vẽ kết cấu móng cọc nhà dân
Sức chịu tải của cọc 200x200 = 20T nghĩa là đầu cọc đơn chịu được tải trọng tĩnh là 20T, tải trọng động là tải trọng dồn lên đầu cọc trong quá trình thi công bản vẽ kết cấu móng cọc nhà dân, tải trọng động thường = 2-3 lần tải trọng tĩnh, đó cũng chính là tải trọng ép lên đầu cọc. do đó tải trọng động ép lên đầu cọc 200*200 là 20*2-20*3T = 40-60T
Khi chọn máy ép cọc thì lực ép phải lớn hơn 15% tải trọng động => máy ép cọc phải >=75T mới ok.
Khi ép cọc sẽ có một bảng quy đổi từ đồng hồ ép ra tấn thực tế ép được, chỉ cần xem chỉ số trên đồng hồ là có thể tự giám sát được công trình của bạn

Thiết kế mẫu bản vẽ kết cấu móng cọc nhà dân dành cho mọi nhà - Chi tiết móng
Có thể nói với những tư vấn của chúng tôi về bản vẽ kết cấu móng cọc nhà dân trên đây chắc hẳn nhiều quý vị sẽ biết và giám sát việc thi công nhà mình bằng phương pháp này. Thông qua các bản vẽ kết cấu móng cọc nhà dân này chúng tôi hy vọng phần nào giải đáp được thắc mắc của quý vị trong việc thi công loại móng cọc này. Bên cạnh những thiết kế bản vẽ kết cấu móng cọc nhà dân này bạn còn có thể tham khảo thêm thiết kế file cad móng nhà dân dụng tại đây
Liên hệ để biết thêm chi tiết Hotline: 0988 030 680








