Trong thiết kế các loại nhà dân dụng, biệt thự, nhà phố, nhà cấp 4 đơn giản….thì phần móng là một trong các phần quan trọng trong công tá xây dựng nhà ở. Tùy vào đặc điểm của công trình, đặc điểm địa hình… để chúng ta đưa ra giải pháp thi công bản vẽ móng nhà dân dụng tiết kiệm chi phí cũng như nhân công cho gia chủ. Thông thường khi thiết kế bản vẽ móng nhà dân dụng chúng ta thường bỏ qua công tác khảo sát địa chất. Đối với các công trình nhỏ, thấp tầng thì công tác này được thi công và thiết kế dựa vào kinh nghiệm cũng như các nhà xung quanh đã được xây dựng. Nhưng đối với các công trình lớn, công trình nhà cao tầng thì công tác khảo sát địa chất là công thể thiếu. Như vậy thì các bản vẽ móng nhà dân dụng là gì?

Thiết kế bản vẽ móng nhà dân dụng bạn nên biết - Móng băng
Móng nhà chính là phần kết cấu bên dưới nhà có thể bằng gạch, đá hộc hay bê tông…. để chịu tải toàn bộ tải trọng của công trình xuống dưới lớp nền đất. Móng đảm bảo được chất lượng khi có thể chịu được tải trọng của toàn bộ căn nhà hoặc có thể lún đều, lún đều trong khoảng sai số cho phép không gây nên các hiện tượng lún, nứt tường hoặc mái. Móng nhà chính là một yếu tố quyết định sự bên vững của công trình. Vậy thì trong công trình xây dựng thì bản vẽ móng nhà dân dụng bao gồm những phần móng gì và khi nào thì dùng móng nào cho phù hợp cho các biệt thự mini 1 tầng.
Các loại bản vẽ móng nhà dân dụng thường dùng
Móng băng: Móng băng 1 phương và móng băng 2 phương

Thiết kế bản vẽ móng nhà dân dụng bạn nên áp dụng - Móng băng
Móng đơn: Móng độc lập, móng cột, móng trụ và đế cột

Thiết kế bản vẽ móng nhà dân dụng chuẩn bạn nên biết - Móng đơn
Móng cọc: Móng cọc đài cao và móng cọc đài thấp

Thiết kế bản vẽ móng nhà dân dụng chuẩn bạn nên biết - Móng cọc
Các loại bản vẽ móng nhà dân dụng chi tiết
1. Bản vẽ móng nhà dân dụng - Móng băng là gì:
Móng băng là một dải móng được thiết kế chịu lực và nối các điểm cọc của móng trong bản vẽ móng nhà dân dụng. Tùy theo điều kiện và đặc điểm của công trình chúng ta sẽ có 2 loại móng băng

Thiết kế bản vẽ móng nhà dân dụng chuẩn bạn nên biết - Móng băng
Móng băng 1 phương: Là loại bản vẽ móng nhà dân dụng - móng băng và được thiết kế theo phương dọc hoặc phương ngang. Móng băng 1 phương thường sẽ phải to hơn là móng băng 2 phương do cả 1 phương đó chịu tải toàn bộ tải trọng của căn nhà cấp 4 nhỏ xinh
Móng băng 2 phương: là loại bản vẽ móng nhà dân dụng - móng băng được thiết kế theo cả 2 phương ngang và dọc chịu tải cho cả công trình, đối với loại móng băng này thường được dùng nhiều hơn.
Móng băng là loại bản vẽ móng nhà dân dụng thường được dùng nhiều cho nhà phố và với các loại công trình nhà từ 3 tầng trở lên sẽ sử dụng móng băng, đối với nhà 1, 2 tầng sẽ sử dụng móng đơn.
2. Thiết kế bản vẽ móng nhà dân dụng - Móng đơn là gì?
Móng đơn là loại bản vẽ móng nhà dân dụng thường có móng đỡ bằng trụ cột, đế cột. Móng đơn thường nằm riêng lẻ nhau và có hình dạng là hình vuông, hình chữ nhật… Móng đơn được sử dụng nhiều trong các công trình nhỏ lẻ và có chi phí thi công thấp nhất trong các loại móng. Móng đơn thường được gọi là móng trụ hay móng cốc theo cách gọi của dân gian với cách thi công nhanh nên chi phí thi công các loại móng này sẽ giảm được khá nhiều cả vật tư lẫn nhân công.

Thiết kế bản vẽ móng nhà dân dụng chuẩn đẹp bạn nên biết - Móng đơn
3. Mẫu bản vẽ móng nhà dân dụng - Móng cọc
Móng cọc trong bản vẽ móng nhà dân dụng được dùng phổ biến nhất trong trường hợp tải trọng công trình khá lớn hay trong điều kiện địa chất yếu, giải pháp móng cọc luôn được xem là giải pháp thuận lợi nhất do đặc tính phong phú về cấu tạo vật liệu học của cọc trong nhà cấp 4 kiểu mái bằng

Thiết kế bản vẽ móng nhà dân dụng chuẩn đẹp - Móng cọc
Phân loại móng cọc trong bản vẽ móng nhà dân dụng
-Móng cọc đài thấp: là móng cọc trong đó các cọc hoàn toàn chịu nén và không hịu tốn, với tải trọng do cột truyền xuống thấp bao gồm lực đứng N, monen M và lực ngang H; trong đó lực ngang H được xem là cân bằng cới áp lực bị động của đất theo độ sâu đặt móng tối thiểu được quy định trong bản vẽ móng nhà dân dụng
-Móng cọc đài cao: khi chiều sâu chôn móng nhỏ hơn hmin móng cọc được tính theo dạng móng cọc đài cao, theo đó các móng cọc sẽ chịu uốn nén và như vậy ta tính toán theo móng cọc đài cao để xác định nội lực trong cọc của bản vẽ móng nhà dân dụng.

Thiết kế bản vẽ móng nhà dân dụng đẹp - Mặt bằng móng cọc
Cấu tạo móng cọc trong thiết kế bản vẽ móng nhà dân dụng. Tùy theo cấu tạo của vật liệu, cọc được chia thành các loại như sau:
– Cọc gỗ:
Dùng trong công trình nhỏ tạm thời.
Vận chuyển nhẹ nhàng.
Sức chịu tải nhỏ, dễ bị mục nên chỉ được sử dụng trong điều kiện thấp hơn mực nước ngầm 50cm.
– Cọc bê tông cốt thép:
Được sử dụng rộng rãi với kích thước tùy ý, tuy nhiên không nên dài quá 24m. Cọc bê tông trong bản vẽ móng nhà dân dụng được thực hiện thành đoạn và nói với nhau theo nhiều cách như hình bằng manchon hay giáp đầu.
-Tải trọng tối đa được khuyến cáo không nên quá 1000kN, tốt nhất là 800kN.
-Kích thước ché tạo là 20×20; 25×25; 30×30…, nếu sử dụng tải lớn hơn tốt nhất là dùng cọc khoan nối.
-Cốt thép bố trí trong cọc theo quy định không được nhỏ hơn 0,3-0,4%
-Cọc thép:
-Do tính năng kháng uốn tốt, cọc théo được dùng cho các công trình vĩnh cửu, công trình chịu tải trọng đứng lớn hay công trình chịu tải trọng ngang như bến cảng, phổ biến nhất là cọc dạng bản.
-Tải trọng tối đa 1000kN
-Dài không hạn định, dễ nối, có thể xuyên qua các chướng ngại vật, hay sét cứng nhất, như xuyên qua lớp sạn laterit.
-Phải có biện pháp chống gỉ.
-Dễ thi công, với búa loại rung hay ép.
-Sức chịu tải theo vật liệu.
-Cọc khoan nhổi:
Bằng thiết bị khoan với đường kính từ 60-120cm tạo thành hố khoan sâu với sự hỗ trợ của mùn khoan(bentonit) tạo cho thành hố khoan thẳng đứng không bị sụp, sau đó đổ bê tông, cốt thép được đặt trong thiết kế bản vẽ móng nhà dân dụng
– Cọc hỗn hợp: Loại cọc này ít được phổ biến, sử dụng chủ yếu cho công trình tạm thời. Cọc hỗn hợp bao gồm 2 phần: phần dưới là gỗ đặt dưới mực nước ổn định 0,5m, phần trên là bê tông.

Thiết kế bản vẽ móng nhà dân dụng đẹp - Mặt bằng định vị chờ cọc
Cấu tạo đài cọc của bản vẽ móng nhà dân dụng
– Đài cọc được cấu tạo để liên kết các cọc còn lại với nhau, các cọc thường được chôn trong đài móng của biệt thự 1 tầng 1 tum.
– Khoảng cách e giữa hai cọc là 3D, cọc chống chịu mũi giảm xướng còn 2D, cọc xiên là 1,5D
– Khoảng cách từ mép cọc đến mép đài lớn hơn 1/2D
– Độ sâu chôn cọc vào trong đài phải lớn hơn 2D và không lớn hơn 120cm với đầu cọc nguyên.
– Với đầu cọc được đập bể, chiều dài của cốt thép cọc chờ phải dài từ 30d-40d(d lad đường kính cọc) và phần ngàm cọc trong đài từ 10-15cm.
Bố trí cọc: Số lượng cọc được chọn trên cơ sở:
n=(1,2 ->1,4)x tải trọng thẳng đứng/khả năng sử dụng 1 cọc. Tùy theo giá trị monen gây nên lệch tâm để chọn số lượng cọc tăng thêm theo cách bố trí cọc tương ứng.
Hiệu ứng nhóm: Quy phạm khuyến cáo phải chú ý đến hiệu ứng của nhóm cọc, kho cọ làm việc trong một nhóm do tác dụng ảnh hưởng lẫn nhau làm cho khả năng chịu tải của cọc giảm, hệ số hiệu ứng này tùy thuộc vào khoảng cách e của cọc và các bố trí cọc trong nhóm (n hàng, mỗi hàng m cọc, tổng số cọc =m.n)
Các loại bản vẽ móng nhà dân dụng - Khả năng chịu lực của móng đơn
Khả năng chịu tải cọc đơn xác định hai yếu tố là vậy liệu và đất nền trong bản vẽ móng nhà dân dụng
Do vật liệu cọc: Khả năng chịu tải theo vật liệu được xác định từ các công thức trên (trong điều kiện đóng hay ép) phải được thiết kế lớn hơn sức mang cực hạn của nền để có thể đóng hoắc ép được đến chiều sâu thiết kế mà không làm cọc bị phá hoại, tuy nhiên cũng không nên quá dư trong bản vẽ móng nhà dân dụng để gây nên lãng phí.
Do đất nền: Để tính khả năng chịu tải của cọc dựa theo đất nền, chiều sâu địa chất công trình phải được xác định đủ nhằm đảm bảo yêu cầu thiết kế.
Nhìn chung đối với bản vẽ móng nhà dân dụng đẹp kết cấu BTCT chúng ta cần nắm được các thông tin như : Vị trí của các cấu kiện chịu lực và chi tiết cốt thép trong cấu kiện đó. Từ các thông tin cơ bản trên sẽ có các bản vẽ tương ứng .
Sau đây chúng ta sẽ đi nghiên cứu từng loại bản vẽ móng nhà dân dụng tùy thuộc vào các loại vật liệu sử dụng cho công trình mà chúng ta sẽ có các dạng kết cấu khác nhau như : kết cấu bê tông cốt thép (BTCT), kết cấu thép, kết cấu gỗ, kết cấu tường chịu lực…Đối với nhà ở riêng lẻ hiện nay kết cấu BTCT được sử dụng nhiều nhất do khả năng chịu lực cao và dễ tạo hình các chi tiết. Nhìn chung đối với bản vẽ kết cấu BTCT chúng ta cần nắm được các thông tin như : Vị trí của các cấu kiện chịu lực và chi tiết cốt thép trong cấu kiện đó. Từ các thông tin cơ bản trên sẽ có các bản vẽ tương ứng . Sau đây chúng ta sẽ đi nghiên cứu từng loại bản vẽ móng nhà dân dụng
1. Bản vẽ kết cấu móng : Bao gồm các bản vẽ móng nhà dân dụng như : Mặt bằng móng, mặt bằng xây tường móng, mặt bằng giằng móng cao độ +0.000, chi tiết móng, chi tiết bể nước, bể tự hoại. Nội dung bản vẽ kết cấu móng sẽ thể hiện được giải pháp móng ( Móng băng, móng đơn, móng gạch, móng cọc), cao độ đáy móng, chi tiết thép của các cấu kiện chính như : Giằng móng, bản móng.
2. Bản vẽ định vị cột : Nội dung của bản vẽ móng nhà dân dụng này thể hiện vị trí và kích thước định vị của từng cột trên mặt bằng. Trường hợp ngắt cột hoặc thay đổi tiết diện cột sẽ có bản vẽ định vị lại tại vị trí thay đổi đó.

Thiết kế bản vẽ móng nhà dân dụng - Định vị móng
3. Bản vẽ mặt bằng kết cấu: Các bản vẽ móng nhà dân dụng này sẽ thể hiện vị trí và kích thước của các dầm trên bản vẽ, vị trí và kích thước lỗ mở, cao độ, độ dày sàn, các vị trí hạ cốt sàn theo bản vẽ kiến trúc ( nhà vệ sinh, ban công…)
4. Bản vẽ mặt bằng thép sàn: Các bản vẽ móng nhà dân dụng này sẽ thể hiện các bố trí cốt thép sàn bao gồm thép trên và thep dưới. Thông thường người thiết kế sẽ thể hiện luôn mặt cắt thép sàn để người đọc có thể hình dung ra vị trí trên dưới của các thanh thép. Trường hợp không thể hiện thì thép bên dưới sẽ được đặt theo phương vuông góc với cạnh ngắn của ô sàn.
5. Bản vẽ mặt bằng lanh tô : Bản vẽ này sẽ thể hiện vị trí và số hiệu của lanh tô, ô văng trên mặt bằng và cũng có thể được thê hiện các chi tiết bố trí cốt thép kèm theo trong bản vẽ móng nhà dân dụng đẹp.
6. Các bản vẽ chi tiết : Các bản vẽ móng nhà dân dụng chuẩn chi tiết bao gồm chi tiết dầm (vị trí xác định trên mặt bằng kết cấu), Chi tiết cột ( vị trí xác định trên mặt bằng định vị cột), chi tiết thang, bảng thống kê thép, chi tiết vì kèo, xà gồ mái (nếu có)
Để bóc tách khối lượng công việc cho phần móng này trước hết chúng ta phải đi phân tích bản vẽ móng nhà dân dụng đẹp, thống kê các công việc cần tính toán khối lượng sau đó mới đi thực hiện từng bước một.
Đọc và phân tích bản vẽ móng nhà dân dụng với móng cọc đơn giản

Thiết kế bản vẽ móng nhà dân dụng - Bản vẽ chi tiết
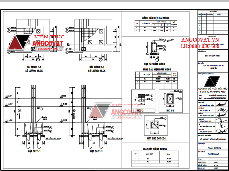
Nhìn vào các bản vẽ móng nhà dân dụng trên các bạn cũng thấy ngay công trình này có móng là móng cọc BTCT kết hợp với hệ dầm chịu lực.
+ Móng cọc gồm có 2 móng: MC1 và MC2
+ Dầm móng có: DM1
*Móng MC1: kích thước 1200 x 1200 sâu cos -1500 so với cos +/-0.000 , đào đất từ cos -0.450m, đất đào sâu 1050m – đất cấp 3.
*Móng MC2: kích thước 1400 x 1700 sâu -2000 so với cos +/-0.000, đào đất từ cos -0.450m, đất đào sâu 1.55m – đất cấp 3.
Cấu tạo bản vẽ móng nhà dân dụng - móng cọc gồm: Lớp bê tông lót móng M100# đá 4×6, bê tông móng M200# đá 1×2…
Công việc cần bóc tách bao gồm:
1. Đào đất móng – đất cấp 3
+ Đào đất móng cột MC1 + MC1
+ Đào đất dầm móng DM
2. Bê tông lót móng M100# đá 4×6
+ Bê tông lót móng cột MC1 + MC2
+ Bê tông lót đáy dầm DM
3. Gia công lắp dựng ván khuôn
+ Gia công lắp dựng ván khuôn gỗ, móng vuông, chữ nhật cho MC1 + MC2
+ Gia công lắp dựng ván khuôn gỗ, móng dài, bệ máy cho DM
4. Gia công lắp dựng cốt thép
+ Gia công lắp dựng cốt thép móng có đường kính D>= 18mm
+ Gia công lắp dựng cốt thép móng có đường kính D<=10 mm
+ Gia công lắp dựng cốt thép xà, dầm, giằng có đường kính D>= 18mm(*)
+ Gia công lắp dựng cốt thép xà, dầm, giằng có đường kính D<=10 mm(*)
5. Bê tông móng M200#, đá 1×2
+ Bê tông móng cột MC1 + MC2
+ Bê tông dầm DM
6. Đắp đất nền móng công trình
+ Đắp đất chân móng
+ Đắp đất nền
Như vậy ta đã đi thống kê xong phần công việc cần làm cho móng trên, bước tiếp theo là đi tính toán khối lượng cho các công việc trên trong bản vẽ móng nhà dân dụng
Như vậy có thể nói những bản vẽ móng nhà dân dụng 1, 2, 3 tầng trên đây được chúng tôi chia ra thành từng loại để các bạn dễ đọc và thi công. Đây là những thiết kế bản vẽ móng nhà dân dụng đang được áp dụng rộng rãi và nhiều nhất bởi phù hợp với địa chất của Việt Nam. Bên cạnh những mẫu bản vẽ móng nhà dân dụng này bạn còn có thể tham khảo thêm tuyển tập bản vẽ điện nước nhà dân vừa dễ đọc vừa dễ thi công của chúng tôi tại đây
Liên hệ để được tư vấn tốt nhất Hotline: 0988 030 680








